-
Posts
42 -
Joined
-
Last visited
About SuperCow

Spam Prevention
-
What is favorite LEGO theme? (we need this info to prevent spam)
Technics
Contact Methods
-
Website URL
http://
-
ICQ
0
Profile Information
-
Location
The Netherlands
Extra
-
Country
The Netherlands
Recent Profile Visitors
-
SuperCow changed their profile photo
-
Old Technic sets losing value?
SuperCow replied to mobi's topic in LEGO Technic, Mindstorms, Model Team and Scale Modeling
Then i got a good deal. 2 days ago i bought 8860 complete with box & plastic inlays in good shape + instructions like new. For 50 euro -
New Power Functions ideas
SuperCow replied to zewy623's topic in LEGO Technic, Mindstorms, Model Team and Scale Modeling
my range is better then the lego control, doesn't matter where i point. I use a normal irled 20ma ;D My range wasn't good first because it didn't oscillate on 38KHz but on 28Khz (read my comment in sourcecode) -
New Power Functions ideas
SuperCow replied to zewy623's topic in LEGO Technic, Mindstorms, Model Team and Scale Modeling
I used a normal 940nm ir led. But i made a booster to boost it up to 200ma. An arduino/atmega pin only delivers maximum 20ma. I also made an Lego IR reviver using all 8 addresses. I still have to modify my remote control :P -
New Power Functions ideas
SuperCow replied to zewy623's topic in LEGO Technic, Mindstorms, Model Team and Scale Modeling
I have made it a while back, a custom remote control My link Ill refresh the links, they don't work anymore -
Unimog U 2450
SuperCow replied to efferman's topic in LEGO Technic, Mindstorms, Model Team and Scale Modeling
You could try to only use the bottom port with hydraulic. The top seal is very weak. But you cant use a switch or pump then. -
PF IR-receiver limits
SuperCow replied to Tobbe Arnesson's topic in LEGO Technic, Mindstorms, Model Team and Scale Modeling
You could use 2 ir-receivers to power 1 motor link -
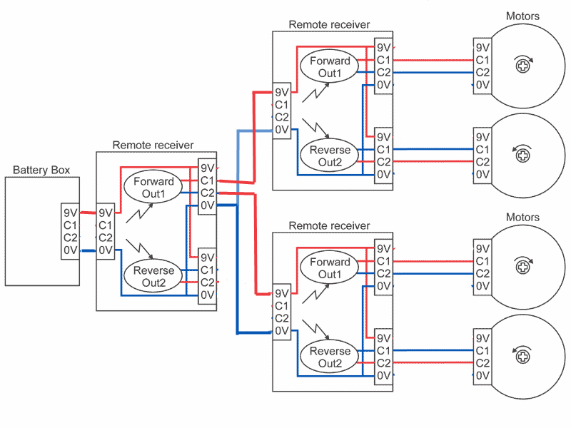
The only way to use remote on remote it to change the cable see improvised schema. Normal the outer powerlines are used, the inner is used for the motor, as it can reverse polarity. With a small change you can use it to power the remote The only negative I can think with this system is as C1 and C2 can deliver total 1000 milliamp of power. So XL motor's are out of the question. As in the other topic, a switch can be used as well: Then you can use a motor with remote to control the switch, and not have the 1000milliamp problem
-
Receivers Limit
SuperCow replied to dolittle's topic in LEGO Technic, Mindstorms, Model Team and Scale Modeling
You could use the switch, it changes the polarity, you could use that to power the receivers, but you have to hack the extension cable -
D2C Designers requesting feedback for 2012 models
SuperCow replied to CopMike's topic in General LEGO Discussion
1: No. 2: Individual. 3: surprise me. 4: A technical realistic (super) car. Like MacPherson suspension, engine with valves, 6-7 speed compact gearbox etc. 5:General i would see the technic line more technical and less about perfect/smooth/closed design, then you dont see the gears :( Use the model team for smooth designs